

EX ST IO-LINK – Ex-protected LED signal tower with IO-Link function
Maximum safety meets intelligent controlThe EX ST IO LINK LED signal tower is the perfect solution for potentially explosive zones 1, 2, 21, and 22. This explosion-proof LED signal light combines maximum safety, future-proof IO-Link technology, and flexible signaling to reliably monitor critical processes in industrial plants. It is ideal for status indicators, fault messages, and level and temperature visualization in areas where ATEX explosion protection is mandatory.
Versatile applications in industry & production
The EX ST IO-LINK signal tower is designed for a wide range of industries:
- Petrochemicals and refineries
- Wastewater industry and sewage treatment plants
- Shipbuilding, tankers, and offshore facilities
- Tanking and filling stations
- Ex-protected manufacturing plants and chemical plants
Whether in harsh environments or sensitive production areas – the ATEX-certified IO-Link LED signal tower provides clear, highly visible signals that reflect the current operating status at all times.
Intelligent IO-Link functions for maximum efficiency
The programmable IO-Link LED signal light offers a wide range of options for transparently controlling and monitoring processes:
- 20 individual segments, individually programmable
- 21 selectable colors for clear status indications
- 10 light patterns (30–120 Hz/min) for flashing, strobe, and running light effects
- Dimming function 0–100% in 10% increments
- Flexible subdivision into 1 to 5 signal levels
Thanks to IO-Link integration, all parameters can be adjusted directly from the controller – for quick setup, flexible process adaptation, and real-time status monitoring.
Robust construction for extreme environments
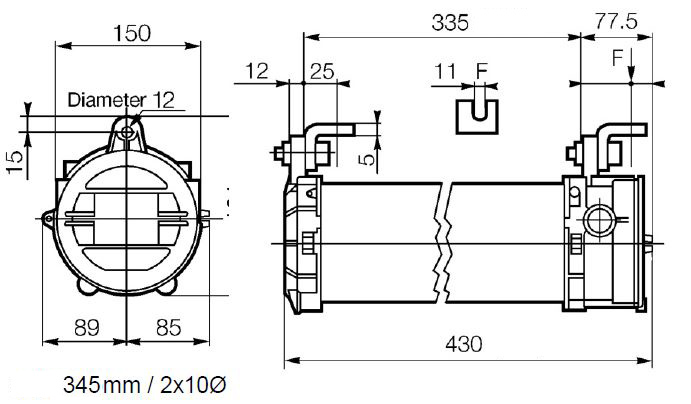
The explosion-proof IO-Link signal tower was specially designed for demanding industrial applications and impresses with its particularly robust construction. The housing is made of high-quality die-cast aluminum, while the tube is made of borosilicate glass, which is characterized by its high resistance to chemicals and high temperatures. With an IP66 protection rating, the signal tower is both dustproof and jet-proof, thus offering reliable protection even under extreme environmental conditions. Thanks to an impact resistance of 7 joules, it can withstand strong mechanical loads and ensures safe operation in harsh industrial facilities. Its wide temperature range of -20 to +50 °C also enables use in a wide variety of climates and operating environments.
ATEX explosion protection – certified safety
The EX ST IO LINK LED signal tower meets all relevant ATEX standards and is approved for use in Zones 1, 2, 21, and 22. It therefore offers maximum safety in potentially explosive atmospheres – a decisive advantage for operators of industrial plants.
Flexible installation and easy connection
For quick and secure installation, the IO-Link signal tower is delivered ready for connection and is therefore ready for immediate use. Depending on requirements, it can be equipped with either a cable gland or a cable entry. The pre-wired unit enables convenient plug-and-play installation, significantly reducing installation effort. It operates at 24 V DC (0.2 A), ensuring energy-efficient control. Additionally, multiple signal towers can be connected in series if required – ideal for larger industrial plants with high communication requirements and complex signaling processes.
Your benefits – safety, efficiency & future-proof
With the EX ST IO LINK LED signal tower, you are choosing an intelligent industrial signal light that guarantees maximum operational safety according to ATEX and can be flexibly adapted to individual processes. It provides clear, highly visible signaling and, thanks to modern IO-Link integration, enables future-proof communication within your systems. Whether for level indication, signaling faults, or displaying the current operating status – the explosion-proof LED signal tower with IO-Link delivers precise, real-time signals, reduces downtime, and contributes significantly to increased plant safety and efficiency.
IO-Link connection
The programmable multicolor LED I/O Link signal tower LB6 is particularly suitable for visualizing device statuses as well as displaying fill levels and temperatures. It consists of 20 individual segments, each of which can be assigned a different color and/or flashing signal.
NOTE: A suitable IO-Link master is absolutely necessary for the operation and parameterization of the explosion-proof IO-Link signal tower. This is not included in our scope of delivery and must be provided by the customer.
Application examples:
Visualization of device status
The lighting area can be easily divided into 1 to 5 levels, with colors and flashing patterns freely definable for each level.
Visualization of fill level and temperature or cycle time of the production process
VA preset lighting pattern can be activated based on fill levels. Material requirements and changes in machine status are easily displayed. (Image left) / Visualize the time progression by changing the preset colors from bottom to top or top to bottom. (Image right)
ATEX Identification
| II 2 G | Ex db IIC T6/T5/T4 | Approvals: | |
| II 2 D | Ex tb IIIC T120°C Db | ATEX, IECEx, EAC TC-RU, Zone 1 / 2 / 21 / 22 |
Highlights
- explosion-proof IO-Link LED signal tower
- robust housing made of die-cast aluminum with borosilicate glass tube
- IO Link light source: 20 LED single segments
-
21 colors / 10 light patterns (30-120Hz)/min / Dimming 0-100%
-
Flashing and blinking light function possible
-
available in 24V voltage
- protection class IP66
- impact resistance: 7 joules
- standard version: 1x blind plug M20 and 1x cable gland M20 Ex-d 6,1-11,7mm
- on request, the signal column can also be fitted with cable bushings for an additional charge. (Standard is Ölflex 5G0.75 or 7G0.75)
- up to 2 cable glands or cable bushings possible, allowing several signal towers to be connected in series
English (UK)
German (DE) 

















